|
|
 |
|
数年前よりネット検索で気になる「DBMチョーク」記事がありそれを確認するため実施した内容をまとめます。
下の左図のようにコモンモードフィルターにダイオードブリッジを2個配線した物を電源の一次側に入れるという不思議なものです。まずはこのまま作製し効果を確かめました。不思議と違いを感じることができそれなら私なりに理解した回路を発展させた物が右図の回路になります。 |
| |
'17/4/27 UP |
|

【DBMチョーク】 |

【新DBMチョーク】 |
 |
コモンモードチョークとして使用するため秋月で購入したFM03D382MPFを、ダイオードは在庫にあったRF1501TF3Sというファーストリカバリーダイオードを使用しました。コモンモードチョークはファインメットを使用した3Amaxの物であまり大きな電流まで対応できません。効果があれば10A以上のチョークで大元のコンセントに挟むつもりでしたが早速用意しなければならないようです。
試聴は、クラシックではティーネ・ティング・ヘルセットのトランペットとジャズではハンク・ジョーンズのラストレコーディングです。チョークを入れる前にはデジタル的なきつさが音にまとわりついていましたがそれがすっかりスッキリしてしまいました。評価にはもう少し時間が必要かもしれません。 |
|
| |
|
|
 |
|
DBMの効果があったので続いてオーディオ用コンセントボックスに1個チョークを入れてみることにしました。
電圧ロスの少ないコモンモードチョークとコンデンサーによるフィルターです。
チョークは秋月で以前販売していたファインメットタイプです。今では販売している所を探すのも大変ですが無くはないようです。 |
| |
2017/5/13 up |
|
 |
 |
 |
コモンモードチョークのコイルが太いので下に付いていたベーク板を取り外して圧着丸端子で接続することにしました。コンデンサ0.22μFと0.01μFはルビコンのメタライズドポリプロピレンフィルムコンデンサを使用しました。1000pFについては双信電機のデップマイカコンデンサを使用しました。
抵抗は、1Wの酸化金属抵抗です。
評価は最近よく聴くモーリスアンドレのトランペット協奏曲(CD)とハンク・ジョーンズのラストレコーディング(SACD)で行いました。エラートのアナログ録音のCDは特にバイオリンなど弦楽器がキツい響きでトランペット含めて聴きずらかったのですががこのフィルターとDBMチョークをダブルで入れるとキツさがとれ良い響きとなりました。ハンクジョーンズは低域のパワーが増し締まりの良い響きが得られました。
プラスチックケースに組み込み約2000円の予算で作成できるので推称できるアクセサリーです。 |
| |
2017/5/19 up |
|
| |
|
|
 |
|
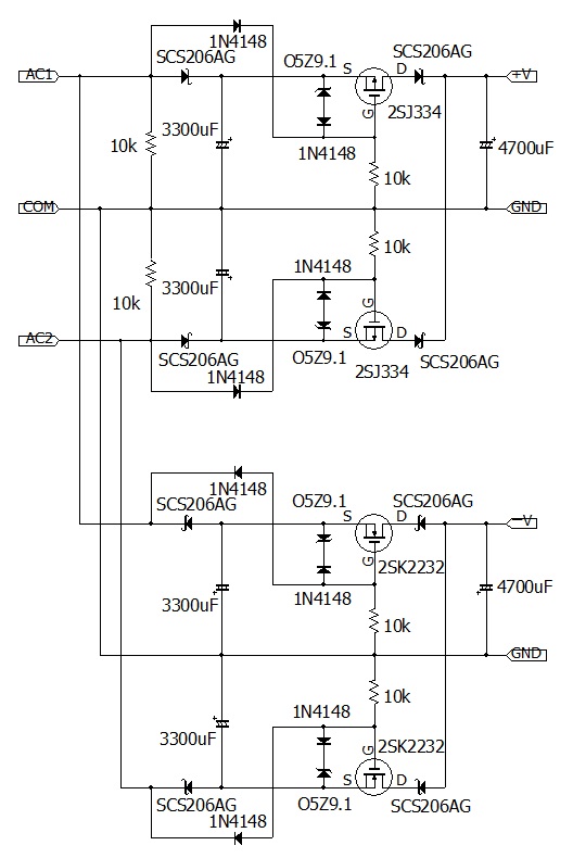
柴崎さんが2023年MJ3月号で紹介されていたアコースティックリバーブの電源に興味を持ち私なりに考えてみた回路が下に記載したものになります。
MOSトランジスタを使用することによりしっかりとスイッチング動作を行いVbe<Vgsことによりしっかりと外部回路を切り離すタイミングを設けることができています。
2回路構成にすれば全波整流も可能ですがこの後段にレギュレーを設けるので負荷電流によっては半波整流で問題ないと考えます。
最近、オーディオ用部品が廃番になっていますので早めに検討できるものは作って実験してみたいと思います。トランジスタではPchのMOSの品種が少なく耐圧60VでON抵抗の低い2SJ334を選びました。+電源にはPchが必要で-電源にはNchが必要となります。Nchは品種も多く選ぶのに苦労はいりません。
整流ダイオードにショットキーのRB218T100を使用しましたがオーバースペックですのでSICショットキーの6A物など色々変えて試してみたいと思います。
ゲート電圧をクランプしているツェナーは常時電流がON/OFF動作となりますのでそこでノイズが発生するのでは元も子もありません。(確認が必要です)
ツェナーダイオードの中にはVzが10Vを超えたあたりから電流変化で負性抵抗のような特性を示すものがあり
ON/OFF動作で発振(ノイズ大)するものがあります。気を付けましょう。 |
| |
2024/10/17up |
|
 |
*中々出来が良かったのでマイナス電源も追加で制作しました。
 |
100mA程度の負荷までは、リップル電圧も半波整流でそれほど影響はないと思いますが300mAとか1Aなどを考えると全波整流型を選んだほうが良いと思います。
下に全波での±電源の回路を掲載しておきます。
初段のコンデンサに充電を始めるときに外部ノイズが整流ダイオードを通じて内部に入るのをトランジスタスイッチで切り離す動きをします。。 |
| |
2024/10/18 |
|
 |
| |
|
|
 |
|
パワーアンプの出力保護をリレーではなくMOSで考えみました。
TLP191Bは普通のフォトカプラーではなくLEDが光ることにより電圧が発生するタイプです。オン抵抗の低いMOSトランジスタを使用しますがもっと低いMOSも購入可能です。(在庫の中から選びました。) |
| |
2024/10/22 |
|
 |
| |
|
| |
|
|
| |
|
|
|
M.I.の趣味の部屋 |
 |
|